|
永宏PLC(深圳)FBS系列高速脈波寬度調變輸出
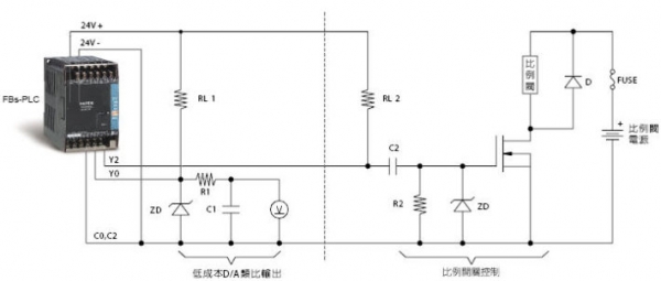
FBS-PLC提供4點硬體高速脈波寬度調變輸出,解析度可達0.1%(頻率72Hz~18.432KHz)及1%(頻率720Hz~184.32KHz),
由于硬體電路之高速與精準穩(wěn)定特性,FBS-PLC可輕易作出細致的溫度控制、比率閥控制或外加簡易之積分電路而做成便宜實用之D/A類比輸出。簡直沒有更完美的了。
示范圖:

| 首頁 | 公司介紹 | 產品中心 | 行業(yè)應用 | 產品視頻 | 公司相冊 | 人才招聘 | 聯(lián)系我們 |